|
首页
关于我们
产品展示
常见问题
联系我们
产品分类
美国 TESCOM
调压阀
德国 SED
卫生级隔膜阀
角座阀
蝶阀
球阀
附件
德国 易福门
卫生级压力传感器
卫生级温度传感器
液位传感器
丹佛斯 Danfoss
压力传感器
温度传感器
压力开关
温度开关
电磁阀
联系我们
全国咨询热线:
0571-83695600
公司:杭州苏塔恩自动化技术有限公司
传真:0571-83695655
邮箱:13429673202@126.com
地址:浙江省杭州市萧山区北干街道永久路288号2309室
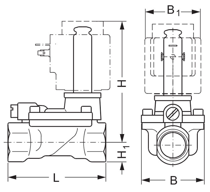
电磁阀
EV224B
EV224B先导式两位两通电磁阀适合高压空气使用
特点
安装尺寸图
EV224B是一种高压间接先导式两位两通电磁阀带工作压力可
达40巴, 介质温度可达60 °C,可提供NC与NO 型。
标配内置式过滤器,可调闭合时间,防护等级最高可以达到
IP67(取决于线圈)可确保可靠与满意的功能。
• 适合40巴以下高压空气应用
• 两位两通
• 先导式
• DN 15 - DN 25
• 环境温度:+80℃
• NC与NO型 • 黄铜阀体
• 内置过滤器保护先导系统
• 基于EV220B的成熟技术